記事一覧
-
macOS専用の未保存テキスト比較ツール「SnipDiff」の紹介
2025/10/20📝 4072文字
ZENN -
👿 4785文字
ZENN -
GCP?BigQueryって美味しいの?
2025/10/20☁️ 923文字
ZENN -
テスト業務効率化に向けて2
2025/10/20## はじめに テスト環境のLinuxサーバーにある特定のフォルダをWindowsへ転送する作業を自動化する方法をまとめます。 ## 実行環境 - Windows11 - Linux(Debian) ## 全体の流れ ```text 初回のみ ├─ register_wifi.bat でWi-Fi登録 通常使用 └─ download.bat でフォルダ転送 ``` ## 実装 ### ...
Qiita -
2025-10-20 共有記事ログ
2025/10/20# 概要 現職の開発部のメンバーに共有した記事のログ # 技術系 ## [美しいソースコードの基本原則 | 『AI時代のきれいなプログラムの教科書』より](https://qiita.com/Fujiwo/items/8b175bd399733ee89fba) 綺麗なプログラムを書くための考え方の記事です 以前「良いコード/悪いコード」で学びましたが、その学んだ内容をより深く理解できるのではと思...
Qiita -
皆さん、コードレビューしていますか? もしくは、レビューされていますか? もしかしたら「レビュー文化がない環境にいる」「個人開発だから誰も見てくれない」 そんな人も多いかもしれません。 レビュアーとしては「負担を減らしつつも、見落としを防ぎたい」。 レビュイーとしては「指摘される前に直しておきたい」。 ――どちらの気持ちもよく分かります。 今回は、そんな開発者のために GitHub Copi...
Qiita -
こんにちは、吉田です。オススメMVを紹介する連載の178回目です。(連載のマガジンはこちら)今回は、勝手に命名シリーズとしてジャパニーズ洋楽MVをお届けします。『ジャパニーズ洋楽MVってなんだんだ?』ということですが、洋楽のMVなのに日本で撮影されたり日本を題材にしているMVのことを勝手にそう呼んで(=命名して)います。ちなみに、「ジャパニーズ洋楽MVと勝手に命名」としては、3年前に同じタイトルで...
NOTE -
片側Z変換[≈離散時間のラプラス変換]を理解しましょう
2025/10/20この記事では[ラプラス変換の記事](https://qiita.com/phyblas/items/d79d7780a465b4c70656)の続編として、「離散化したラプラス変換」と呼ばれる[Zゼッド変換](https://ja.wikipedia.org/wiki/Z変換)について説明します。 # はじめに 以前、ラプラス変換の基本について説明する記事を投稿しました。 https://...
Qiita -
自分のデストップに合うNeovimテーマがなかったので、作ってみた。
2025/10/20🐲 5560文字
ZENN -
「AI 駆動開発ライフサイクル(AI-DLC)」への個人的理解まとめ
2025/10/20📑 4764文字
ZENN -
【SwiftUI】でピン留め機能を実装する
2025/10/20🗒 はじめに SwiftUIでリストを作るとき、「特定の項目を上に固定したい」「お気に入りを目立たせたい」 そんなときに便利なのが ピン留め機能 です📌 この記事では、 SwiftUIでのピン留め切り替え CoreDataで状態を保存する(簡単に) の2点を実装していきます。 CoreDataは永続化のために軽く使うだけで、メインはピン留めの仕組みです。 🎯 完成イメージ ピンボタンを押す...
Qiita -
GCP?Spannerって美味しいの?
2025/10/20☁️ 1043文字
ZENN -
🔖 4220文字
ZENN -
# **user**: 次のコードのリファクタリングをしてください。 ```python # !pip install langchain_openai langchain_community arxiv import json import os from typing import Optional import pandas as pd from langchain.prompts i...
Qiita -
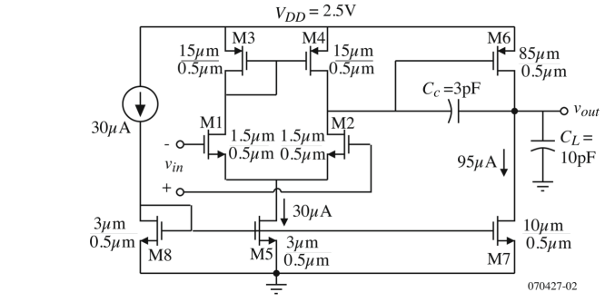
CMOS2段アンプの設計
2025/10/20 ──────────────────────────────── 前提と記号 VDD=2.5 V, CL=10 pF, 目標GB=5 MHz, SR...
Qiita -
Qiitaで日本語の斜体表現はできるか?
2025/10/20# 1. はじめに @lamrongol さんの下記要望事項について考える。 https://github.com/increments/qiita-discussions/discussions/267 :::note 本記事では「イタリック体」とは傾斜させた字体を専用にデザインしたものであり,一方「斜体」とは標準字体から演算によって傾斜させて生成したものという意味で両者を使い分けているつ...
Qiita -
## 概要 Claude Codeのサブエージェントを自動生成し、開発フェーズに応じてコードレビュー基準を動的に調整するツール「Adaptive Claude Agents」を作成し、オープンソースで公開しました。 - プロジェクトの技術スタックを自動検出し、最適なサブエージェントを生成(10フレームワーク対応) - 開発フェーズ(プロトタイプ/MVP/本番)を7つの指標から判定し、レビュー厳...
Qiita -
bcftools のプラグインの作り方について、mrubyをまじえて
2025/10/20## はじめに [Samtools](https://github.com/samtools/samtools)と、[Bcftools](https://github.com/samtools/bcftools)は、いずれも[HTSLib](https://github.com/samtools/htslib)の上に構築されたコマンドラインツールである。実は、Bcftoolsにはプラグイン機構が...
Qiita -
オンライン講座向けLMS「vibely」を 公開しました
2025/10/19👨💻 1778文字
ZENN -
🌕 12837文字
ZENN